Specifications
General Specifications
Parameter
Value and Units
Sensor Type
Digital, Encoder
Connector
JST-PH 6-pin
Mounting Holes
#10 Clearance
Electrical Specifications
Parameter
Min
Typ
Max
Units
Input Voltage
3.3
-
5.0
V
Logic Level
-
3.3
5.0
V
Maximum RPM
-
-
10000
RPM
Incremental Output
Parameter
Min
Typ
Max
Units
Quadrature Resolution
-
2048
-
Cycles per Rev.
-
8192
-
Counts per Rev.
Index Pulse Frequency
-
1
-
Pulse per Rev.
Index Pulse Width
-
90
-
°e
Absolute Pulse Output (Duty Cycle)
Parameter
Min
Typ
Max
Units
Period
-
1025
-
μs
Frequency
-
975.6
-
Hz
Minimum Pulse (0°)
-
1
-
μs
Maximum Pulse (360°)
-
1024
-
μs
Pulse Resolution
-
10
-
bit
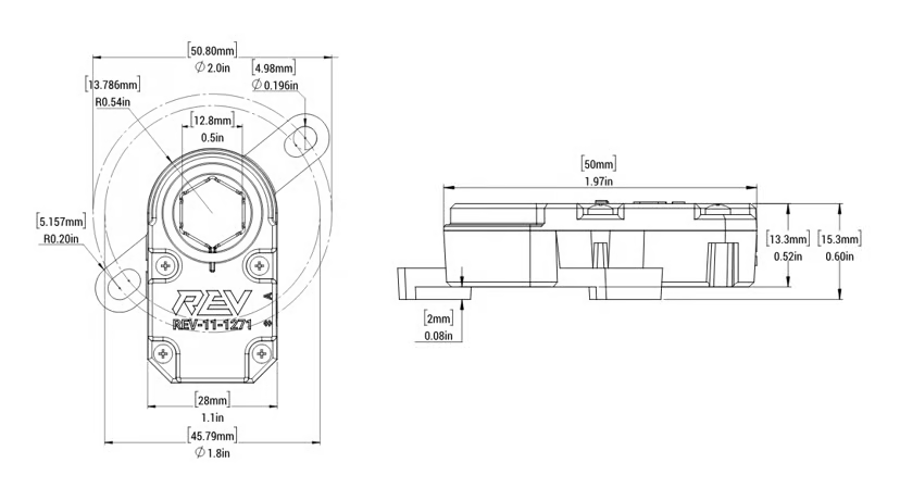
Mechanical Drawings

Pinout

Last updated
Was this helpful?

