Specifications
General Specifications
Parameter
Value and Units
Sensor Type
Digital, Active-low
Signal
n+1
Electrical Specifications
Parameter
Min
Typ
Max
Units
Operating Voltage Range
-
-
3.3
V
Output States
Button
n+1 Voltage
LED State
FTC SDK Logic
Not Pressed
3.3V
Off
TRUE
Pressed
0V
On
FALSE
The button is directly in-line with the LED and signal. So if the light is operating correctly, the button is working.
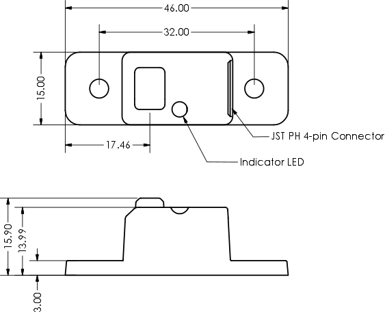
Mechanical Drawings

Pinout and Schematic
In the image below, is the key for the wired connection between the touch sensor and the robot controller. The touch sensor does not use or pick up a signal from the n (blue) wire. This is not a problem if there is one digital sensor per port. However, If you intend to connect more than one digital sensor to the same port using the sensor splitter cable, make sure that the n+1 (white) wire portion of the splitter cable is plugged into the touch sensor.


Last updated
Was this helpful?

